中文版
English
首页
公司简介
产品展示
新闻中心
应用领域
人才招聘
联系我们
1
2
3
4
5
公司简介
产品展示
步进电机
驱动器
证书
新闻中心
应用领域
人才招聘
联系我们
您所在位置:
首页
> 步进电机
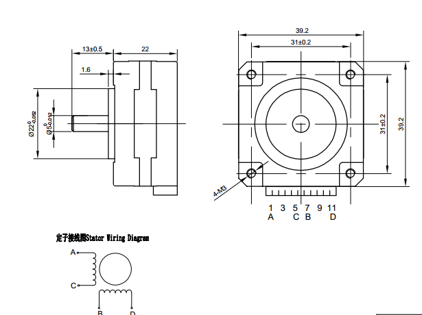
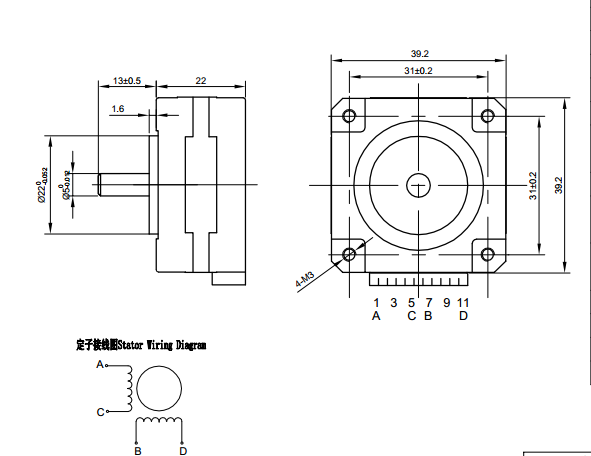
39系列
点击率:4739 更新时间:2016/3/29 16:16:38
上一页:
42系列
下一页:
35系列